Главная > Подшипники> Роликовые > Радиально-упорные>LM12749A/LM12711

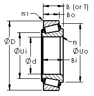
LM12749A/LM12711 — Конический роликоподшипник дюймовая серия, импортное производство по ISO стандарту, размер 22x46x15 номер основного исполнения .
Производитель: AST.
L = массивный сепаратор из лёгкого сплава.
Цена от:223 р.
Цена на подшипник зависит от:
Габаритные размеры
Размеры и геометрические характеристики
Присоединительные размеры
Конструкция и исполнение
Прочие характеристики
Подшипник шариковый упорный D7 (INA)
Подшипник шариковый упорный однонаправленный FT7 (INA)
Подшипник шариковый упорный однонаправленный GT7 (INA)
Подшипник роликовый упорный RTL7 (INA)