Главная > Подшипники> Роликовые > Радиально-упорные>LM11949/LM11910

LM11949/LM11910 — Однорядный конический роликовый подшипник, импортное производство по ISO стандарту, размер 19x45x15 номер основного исполнения .
Производится брендами: AST, FBJ, Fersa, KBC, KOYO, NACHI, NIS, NSK, TIMKEN.
L = массивный сепаратор из лёгкого сплава.
Цена от:447 р.
Цена на подшипник зависит от:
Габаритные размеры
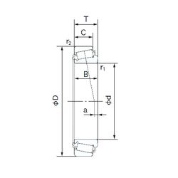
Размеры и геометрические характеристики
Нагрузка и ресурс
Защита
Коэффициенты для расчета
Присоединительные размеры
Конструкция и исполнение
Прочие характеристики
Однорядный конический роликовый подшипник 7804
Подшипник роликовый радиально-упорный конический 6-7804 У
Подшипник роликовый радиально-упорный 6-7804 УБЛ (ГПЗ-9)
Подшипник роликовый радиально-упорный конический 6-7804 А
Подшипник роликовый радиально-упорный 7-7804 У (ГПЗ-15)
Подшипник роликовый радиально-упорный конический 7804 У