Главная > Подшипники> Роликовые > Радиально-упорные>LM11749R/LM11710

LM11749R/LM11710 — Подшипник роликовый радиально-упорный, импортное производство по ISO стандарту, размер 17x39x13 номер основного исполнения .
Производитель: KOYO.
L = массивный сепаратор из лёгкого сплава.
Цена от:161 р.
Цена на подшипник зависит от:
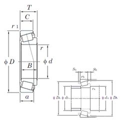
Габаритные размеры
Размеры и геометрические характеристики
Нагрузка и ресурс
Защита
Коэффициенты для расчета
Присоединительные размеры
Конструкция и исполнение
Подшипник роликовый радиально-упорный 6-7703 А (ГПЗ-15)
Подшипник роликовый радиально-упорный 7703 А (ГПЗ-15)
Конический роликоподшипник 4T-LM11749/LM11710 (NTN)
Конический роликоподшипник H-LM11749R/H-LM11710 (NACHI)
Конический роликоподшипник K-LM11749/K-LM11710 (ZVL)
Однорядный конический роликовый подшипник KLM11749-LM11710 (FAG)