Главная > Подшипники> Роликовые > Радиально-упорные>LM104949/LM104911

LM104949/LM104911 — Однорядный конический роликовый подшипник, импортное производство по ISO стандарту, размер 50x82x21 номер основного исполнения .
Производится брендами: FBJ, Fersa, KOYO, NACHI, TIMKEN.
L = массивный сепаратор из лёгкого сплава.
Цена от:982 р.
Цена на подшипник зависит от:
Габаритные размеры
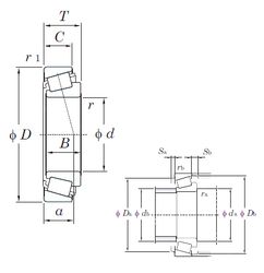
Размеры и геометрические характеристики
Нагрузка и ресурс
Защита
Коэффициенты для расчета
Присоединительные размеры
Конструкция и исполнение
Подшипник роликовый радиально-упорный 7710 А
Конический роликоподшипник 4T-JLM104948/JLM104910 (NTN)
Конический роликоподшипник 4T-LM104949/LM104911 (NTN)
Конический роликоподшипник AB32010X/YKB32010X (TIMKEN)
Однорядный конический роликовый подшипник EC35231 (SNR)
Конический роликоподшипник H-LM104949/H-LM104912 (NACHI)