Главная > Подшипники> Роликовые > Радиально-упорные>LM104947/LM104911

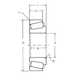
LM104947/LM104911 — Подшипник роликовый радиально-упорный, импортное производство по ISO стандарту, размер 49x82x21 номер основного исполнения .
Производитель: FBJ.
L = массивный сепаратор из лёгкого сплава.
Цена по запросу
Цена на подшипник зависит от:
Габаритные размеры
Размеры и геометрические характеристики
Нагрузка и ресурс
Защита
Конструкция и исполнение
Конический роликоподшипник 4T-LM104947A/LM104911 (NTN)
Однорядный конический роликовый подшипник LM104947A/JLM104910 (TIMKEN)
Подшипник роликовый радиально-упорный LM104947A/11 (CX, ISO)