Главная > Подшипники> Роликовые > Радиально-упорные>LL758744/LL758715

LL758744/LL758715 — Подшипник роликовый радиально-упорный, импортное производство по ISO стандарту, размер 323x381x28 номер основного исполнения .
Производится брендами: KOYO, TIMKEN.
LL (Сегментное уплотнение, код 2RU) = Лабиринтные уплотнения на обеих сторонах (Уплотнение L = типа = все части уплотнения L = типа покрыты цинком на всех сторонах для улучшения защиты от коррозии = без трения уплотнения).
Цена по запросу
Цена на подшипник зависит от:
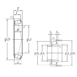
Габаритные размеры
Размеры и геометрические характеристики
Нагрузка и ресурс
Защита
Коэффициенты для расчета
Присоединительные размеры
Конструкция и исполнение