Главная > Подшипники> Роликовые > Радиально-упорные>LL713049/LL713010

LL713049/LL713010 — Однорядный конический роликовый подшипник, импортное производство по ISO стандарту, размер 69x98x13 номер основного исполнения .
Производится брендами: KOYO, TIMKEN.
LL (Сегментное уплотнение, код 2RU) = Лабиринтные уплотнения на обеих сторонах (Уплотнение L = типа = все части уплотнения L = типа покрыты цинком на всех сторонах для улучшения защиты от коррозии = без трения уплотнения).
Цена по запросу
Цена на подшипник зависит от:
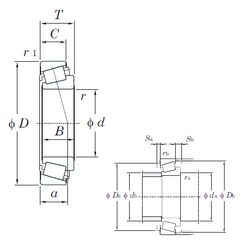
Габаритные размеры
Размеры и геометрические характеристики
Нагрузка и ресурс
Защита
Коэффициенты для расчета
Присоединительные размеры
Конструкция и исполнение