Главная > Подшипники> Роликовые > Радиально-упорные>LL217849/LL217810

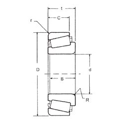
LL217849/LL217810 — Однорядный конический роликовый подшипник, импортное производство по ISO стандарту, размер 88x121x15 номер основного исполнения .
Производится брендами: FBJ, Fersa, NACHI, TIMKEN.
LL (Сегментное уплотнение, код 2RU) = Лабиринтные уплотнения на обеих сторонах (Уплотнение L = типа = все части уплотнения L = типа покрыты цинком на всех сторонах для улучшения защиты от коррозии = без трения уплотнения).
Цена от:16 923 р.
Цена на подшипник зависит от:
Габаритные размеры
Размеры и геометрические характеристики
Нагрузка и ресурс
Защита
Коэффициенты для расчета
Присоединительные размеры
Конструкция и исполнение
Конический роликоподшипник 4T-LL217849/LL217810 (NTN)
Подшипник роликовый радиально-упорный LL217849/10 (CX, ISO)