Главная > Подшипники> Шариковые> Радиально-упорные>LJT8

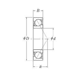
LJT8 — Радиально-упорный шарикоподшипник, импортное производство по ISO стандарту, размер 203x330x44 номер основного исполнения .
Производится брендами: RHP, SIGMA.
Цена по запросу
Цена на подшипник зависит от:
Габаритные размеры
Размеры и геометрические характеристики
Нагрузка и ресурс
Защита
Конструкция и исполнение
Радиальный шарикоподшипник LJ 8 (RHP, SIGMA)
Цилиндрический роликоподшипник LLRJ8 (RHP)
Цилиндрический роликоподшипник LRJ8 (RHP, SIGMA)
Подшипник однорядный шариковый радиальный RLS64 M (NIS)