Главная > Подшипники> Шариковые> Радиально-упорные>LJT6

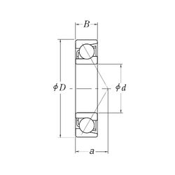
LJT6 — Радиально-упорный шарикоподшипник, импортное производство по ISO стандарту, размер 152x266x39 номер основного исполнения .
Производится брендами: RHP, SIGMA.
Цена по запросу
Цена на подшипник зависит от:
Габаритные размеры
Размеры и геометрические характеристики
Нагрузка и ресурс
Защита
Конструкция и исполнение
Радиальный шарикоподшипник LJ 6 (RHP, SIGMA)
Самоустанавливающийся шарикоподшипник NLJ6 (RHP)
Цилиндрический роликоподшипник 60RIJ248 (TIMKEN)
Цилиндрический роликоподшипник 60RIN248 (TIMKEN)
Цилиндрический роликоподшипник 60RIU248 (TIMKEN)
Цилиндрический роликоподшипник 60RIF248 (TIMKEN)