Главная > Подшипники> Шариковые> Радиально-упорные>LJT4.1/2

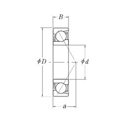
LJT4.1/2 — Подшипник шариковый однорядный радиально-упорный, импортное производство по ISO стандарту, размер 114x203x33 номер основного исполнения .
Производится брендами: NIS, RHP, SIGMA.
Цена по запросу
Цена на подшипник зависит от:
Габаритные размеры
Размеры и геометрические характеристики
Нагрузка и ресурс
Защита
Конструкция и исполнение
Прочие характеристики
Подшипник однорядный шариковый радиальный LJ 4.1/2 (RHP, SIGMA)
Самоустанавливающийся шарикоподшипник NLJ4.1/2 (RHP)
Цилиндрический роликоподшипник 45RIU196 (TIMKEN)
Цилиндрический роликоподшипник 45RIF196 (TIMKEN)
Цилиндрический роликоподшипник 45RIN196 (TIMKEN)
Цилиндрический роликоподшипник 45RIT196 (TIMKEN)