Главная > Подшипники> Шариковые> Радиально-упорные>LJT3.1/4

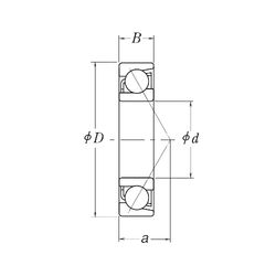
LJT3.1/4 — Подшипник шариковый однорядный радиально-упорный, импортное производство по ISO стандарту, размер 82x152x26 номер основного исполнения .
Производится брендами: NIS, RHP.
Цена по запросу
Цена на подшипник зависит от:
Габаритные размеры
Размеры и геометрические характеристики
Нагрузка и ресурс
Защита
Конструкция и исполнение
Прочие характеристики
Подшипник шариковый двухрядный самоустанавливающийся NLJ3.1/4 (RHP)
Цилиндрический роликоподшипник LLRJ3.1/4 (RHP)
Однорядный цилиндрический роликовый подшипник LRJ 3.1/4 (NIS, RHP, SIGMA)
Подшипник шариковый с четырехточечным контактом QJL 3.1/4 (SIGMA)
Подшипник однорядный шариковый радиальный RLS26 (NIS)