Главная > Подшипники> Шариковые> Радиально-упорные>LJT2.1/2

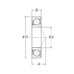
LJT2.1/2 — Подшипник шариковый однорядный радиально-упорный, импортное производство по ISO стандарту, размер 63x127x23 номер основного исполнения .
Производится брендами: NIS, RHP.
Цена по запросу
Цена на подшипник зависит от:
Габаритные размеры
Размеры и геометрические характеристики
Нагрузка и ресурс
Защита
Конструкция и исполнение
Прочие характеристики
Подшипник однорядный шариковый радиальный LJ2.1/2 (RHP, SIGMA)
Радиальный шарикоподшипник LJ2.1/2-N (RHP)
Радиальный шарикоподшипник LJ2.1/2-NR (RHP)
Подшипник шариковый двухрядный самоустанавливающийся NLJ2.1/2 (RHP)
Однорядный цилиндрический роликовый подшипник LLRJ2.1/2 (RHP)
Однорядный цилиндрический роликовый подшипник LRJ 2.1/2 (NIS, RHP, SIGMA)