Главная > Подшипники> Шариковые> Радиально-упорные>LJT11/2

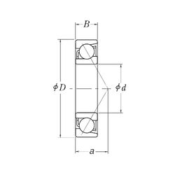
LJT11/2 — Подшипник шариковый однорядный радиально-упорный, импортное производство по ISO стандарту, размер 38x82x19 номер основного исполнения .
Производится брендами: NIS, RHP, SIGMA.
Цена по запросу
Цена на подшипник зависит от:
Габаритные размеры
Размеры и геометрические характеристики
Нагрузка и ресурс
Защита
Конструкция и исполнение
Прочие характеристики
Подшипник однорядный шариковый радиальный LJ 1.1/2 (RHP, SIGMA)
Радиальный шарикоподшипник LJ1.1/2-2Z (RHP)
Радиальный шарикоподшипник LJ1.1/2-RS (RHP)
Подшипник однорядный шариковый радиальный LJ1.1/2-Z (RHP)
Подшипник однорядный шариковый радиальный LJ1.1/2-2RS (RHP)
Радиальный шарикоподшипник LJ1.1/2-N (RHP)