Главная > Подшипники> Шариковые> Радиально-упорные>LJT1.3/4

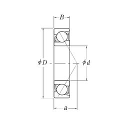
LJT1.3/4 — Подшипник шариковый однорядный радиально-упорный, импортное производство по ISO стандарту, размер 44x95x20 номер основного исполнения .
Производится брендами: NIS, RHP, SIGMA.
Цена по запросу
Цена на подшипник зависит от:
Габаритные размеры
Размеры и геометрические характеристики
Нагрузка и ресурс
Защита
Конструкция и исполнение
Прочие характеристики
Подшипник однорядный шариковый радиальный LJ 1.3/4 (RHP, SIGMA)
Радиальный шарикоподшипник LJ1.3/4-Z (RHP)
Радиальный шарикоподшипник LJ1.3/4-NR (RHP)
Радиальный шарикоподшипник LJ1.3/4-RS (RHP)
Радиальный шарикоподшипник LJ1.3/4-2Z (RHP)
Радиальный шарикоподшипник LJ1.3/4-2RS (RHP)