Главная > Подшипники> Роликовые > Радиально-упорные>L814749/L814710

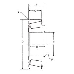
L814749/L814710 — Однорядный конический роликовый подшипник, импортное производство по ISO стандарту, размер 76x109x19 номер основного исполнения .
Производится брендами: FBJ, Fersa, TIMKEN.
L = массивный сепаратор из лёгкого сплава.
Цена от:3 860 р.
Цена на подшипник зависит от:
Габаритные размеры
Размеры и геометрические характеристики
Нагрузка и ресурс
Защита
Коэффициенты для расчета
Присоединительные размеры
Конструкция и исполнение
Конический роликоподшипник 4T-L814749/L814710 (NTN)
Подшипник роликовый радиально-упорный L814749/10 (CX, ISO)