Главная > Подшипники> Роликовые > Радиально-упорные>L630349/L630310

L630349/L630310 — Однорядный конический роликовый подшипник, импортное производство по ISO стандарту, размер 152x192x25 номер основного исполнения .
Производится брендами: FBJ, TIMKEN.
L = массивный сепаратор из лёгкого сплава.
Цена от:390 р.
Цена на подшипник зависит от:
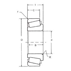
Габаритные размеры
Размеры и геометрические характеристики
Нагрузка и ресурс
Защита
Коэффициенты для расчета
Присоединительные размеры
Конструкция и исполнение
Конический роликоподшипник 4T-L630349/L630310 (NTN)
Подшипник роликовый радиально-упорный L630349/10 (CX, ISO)