Главная > Подшипники> Роликовые > Радиально-упорные>L610549/L610510

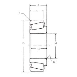
L610549/L610510 — Однорядный конический роликовый подшипник, импортное производство по ISO стандарту, размер 63x94x19 номер основного исполнения .
Производится брендами: FBJ, NACHI, NIS, NSK, TIMKEN.
L = массивный сепаратор из лёгкого сплава.
Цена от:2 603 р.
Цена на подшипник зависит от:
Габаритные размеры
Размеры и геометрические характеристики
Нагрузка и ресурс
Защита
Коэффициенты для расчета
Присоединительные размеры
Конструкция и исполнение
Прочие характеристики
Конический роликоподшипник 4T-L610549/L610510 (NTN)
Подшипник роликовый радиально-упорный L610549/10 (CX, ISO)