Главная > Подшипники> Роликовые > Радиально-упорные>L521949R/L521910

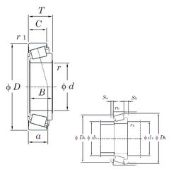
L521949R/L521910 — Подшипник роликовый радиально-упорный, импортное производство по ISO стандарту, размер 107x146x21 номер основного исполнения .
Производитель: KOYO.
L = массивный сепаратор из лёгкого сплава.
Цена от:7 206 р.
Цена на подшипник зависит от:
Габаритные размеры
Размеры и геометрические характеристики
Нагрузка и ресурс
Защита
Коэффициенты для расчета
Присоединительные размеры
Конструкция и исполнение
Подшипник роликовый радиально-упорный L521949/10 (CX, ISO)
Однорядный конический роликовый подшипник L521949/L521910 (Fersa, NACHI, TIMKEN)