Главная > Подшипники> Роликовые > Радиально-упорные>L45449/L45410

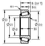
L45449/L45410 — Однорядный конический роликовый подшипник, импортное производство по ISO стандарту, размер 29x50x14 номер основного исполнения .
Производится брендами: AST, FBJ, Fersa, KBC, KOYO, NIS, NSK, TIMKEN.
L = массивный сепаратор из лёгкого сплава.
Цена от:251 р.
Цена на подшипник зависит от:
Габаритные размеры
Размеры и геометрические характеристики
Нагрузка и ресурс
Защита
Коэффициенты для расчета
Присоединительные размеры
Конструкция и исполнение
Прочие характеристики
Подшипник роликовый радиально-упорный 7006А
Подшипник роликовый радиально-упорный 7006A (EPK)
Однорядный конический роликовый подшипник 4T-L45449/L45410 (NTN)
Однорядный конический роликовый подшипник 518772A (FAG)
Конический роликоподшипник 572428 (FAG)
Конический роликоподшипник BT1-0373 (SKF)