Главная > Подшипники> Роликовые > Радиально-упорные>L44649R/L44610

L44649R/L44610 — Подшипник роликовый радиально-упорный, импортное производство по ISO стандарту, размер 26x50x14 номер основного исполнения .
Производитель: KOYO.
L = массивный сепаратор из лёгкого сплава.
Цена от:258 р.
Цена на подшипник зависит от:
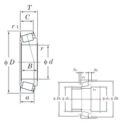
Габаритные размеры
Размеры и геометрические характеристики
Нагрузка и ресурс
Защита
Коэффициенты для расчета
Присоединительные размеры
Конструкция и исполнение
Подшипник роликовый радиально-упорный 2007406A1 (EPK)
Подшипник роликовый радиально-упорный 7905 А1 (ГПЗ-23)
Подшипник роликовый радиально-упорный L44649/L44610
Однорядный конический роликовый подшипник 4T-L44649/L44610 (NTN)
Конический роликоподшипник BT1-0227/QVA621 (SKF)
Однорядный конический роликовый подшипник K-L44649/K-L44610 (ZVL)