Главная > Подшипники> Роликовые > Радиально-упорные>L44643L/L44610

L44643L/L44610 — Конический роликоподшипник дюймовая серия, импортное производство по ISO стандарту, размер 25x50x14 номер основного исполнения .
Производитель: AST.
LL (Сегментное уплотнение, код 2RU) = Лабиринтные уплотнения на обеих сторонах (Уплотнение L = типа = все части уплотнения L = типа покрыты цинком на всех сторонах для улучшения защиты от коррозии = без трения уплотнения).
Цена от:305 р.
Цена на подшипник зависит от:
Габаритные размеры
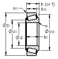
Размеры и геометрические характеристики
Присоединительные размеры
Конструкция и исполнение
Прочие характеристики
Подшипник роликовый радиально-упорный 2007405 А1 (ГПЗ-15)
Подшипник роликовый радиально-упорный 2007405A1 (EPK)
Подшипник роликовый радиально-упорный L44643/L44610
Конический роликоподшипник 07100/07196-07000LA (TIMKEN)
Конический роликоподшипник 07100/07196B (TIMKEN)
Конический роликоподшипник 07100-SA/07210XB (TIMKEN)