Главная > Подшипники> Роликовые > Радиально-упорные>L327249/L327210

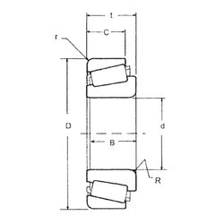
L327249/L327210 — Однорядный конический роликовый подшипник, импортное производство по ISO стандарту, размер 133x177x25 номер основного исполнения .
Производится брендами: FBJ, KOYO, NIS, NSK, TIMKEN.
L = массивный сепаратор из лёгкого сплава.
Цена по запросу
Цена на подшипник зависит от:
Габаритные размеры
Размеры и геометрические характеристики
Нагрузка и ресурс
Защита
Коэффициенты для расчета
Присоединительные размеры
Конструкция и исполнение
Прочие характеристики
Однорядный конический роликовый подшипник 4T-L327249/L327210 (NTN)
Подшипник роликовый радиально-упорный L327249/10 (CX, ISO)