Главная > Подшипники> Роликовые > Радиально-упорные>L319245/L319210

L319245/L319210 — Подшипник роликовый радиально-упорный, импортное производство по ISO стандарту, размер 92x130x20 номер основного исполнения .
Производится брендами: KOYO, TIMKEN.
L = массивный сепаратор из лёгкого сплава.
Цена по запросу
Цена на подшипник зависит от:
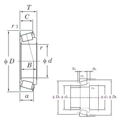
Габаритные размеры
Размеры и геометрические характеристики
Нагрузка и ресурс
Защита
Коэффициенты для расчета
Присоединительные размеры
Конструкция и исполнение