Главная > Подшипники> Роликовые > Радиально-упорные>L281149D/L281110+L281110EA

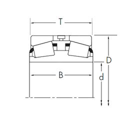
L281149D/L281110+L281110EA — Конический роликоподшипник, импортное производство по ISO стандарту, размер 660x812x176 номер основного исполнения .
Производитель: TIMKEN.
D = профиль наружного кольца, усовершенствованный, с увеличенной зоной несущей нагрузки и оптимизированными краевыми переходами.
Цена по запросу
Цена на подшипник зависит от:
Габаритные размеры
Размеры и геометрические характеристики
Защита
Конструкция и исполнение