Главная > Подшипники> Роликовые > Радиально-упорные>L225842/L225810

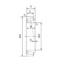
L225842/L225810 — Однорядный конический роликовый подшипник, импортное производство по ISO стандарту, размер 120x169x25 номер основного исполнения .
Производится брендами: NACHI, TIMKEN.
L = массивный сепаратор из лёгкого сплава.
Цена по запросу
Цена на подшипник зависит от:
Габаритные размеры
Размеры и геометрические характеристики
Нагрузка и ресурс
Защита
Коэффициенты для расчета
Присоединительные размеры
Конструкция и исполнение