Главная > Подшипники> Роликовые > Радиально-упорные>L217849/L217810

L217849/L217810 — Однорядный конический роликовый подшипник, импортное производство по ISO стандарту, размер 88x123x20 номер основного исполнения .
Производится брендами: FBJ, KOYO, TIMKEN.
L = массивный сепаратор из лёгкого сплава.
Цена от:18 958 р.
Цена на подшипник зависит от:
Габаритные размеры
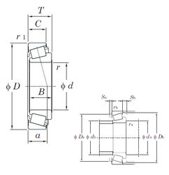
Размеры и геометрические характеристики
Нагрузка и ресурс
Защита
Коэффициенты для расчета
Присоединительные размеры
Конструкция и исполнение
Конический роликоподшипник 4T-L217849/L217810 (NTN)
Подшипник роликовый радиально-упорный L217849/10 (CX, ISO)