Главная > Подшипники> Роликовые > Радиально-упорные>L217847/L217810

L217847/L217810 — Однорядный конический роликовый подшипник, импортное производство по ISO стандарту, размер 87x123x20 номер основного исполнения .
Производится брендами: KOYO, TIMKEN.
L = массивный сепаратор из лёгкого сплава.
Цена по запросу
Цена на подшипник зависит от:
Габаритные размеры
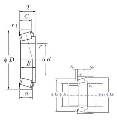
Размеры и геометрические характеристики
Нагрузка и ресурс
Защита
Коэффициенты для расчета
Присоединительные размеры
Конструкция и исполнение