Главная > Подшипники>KRVE 72 PPA

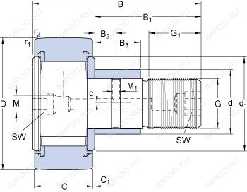
KRVE 72 PPA — Кулачковый ролик толкатель, импортное производство по ISO стандарту, размер 28x72x80 номер основного исполнения .
Производитель: SKF.
P = Литой сепаратор из стеклонаполненного полиамида 6,6, центрируемый по телам качения.
Цена от:2 484 р.
Цена на подшипник зависит от:
Габаритные размеры
Размеры и геометрические характеристики
Нагрузка и ресурс
Присоединительные размеры
Прочие характеристики