Главная > Подшипники>KRE 62 PPA

KRE 62 PPA — Кулачковый ролик толкатель, импортное производство по ISO стандарту, размер 28x62x80 номер основного исполнения .
Производитель: SKF.
P = Литой сепаратор из стеклонаполненного полиамида 6,6, центрируемый по телам качения.
Цена по запросу
Цена на подшипник зависит от:
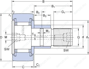
Габаритные размеры
Размеры и геометрические характеристики
Нагрузка и ресурс
Присоединительные размеры
Прочие характеристики