Главная > Подшипники> Опорные ролики>KR 35 PP

KR 35 PP — Кулачковый ролик толкатель, импортное производство по ISO стандарту, размер 16x35x52 номер основного исполнения KR35.
Производитель: NIS.
P = Литой сепаратор из стеклонаполненного полиамида 6,6, центрируемый по телам качения.
Цена от:801 р.
Цена на подшипник зависит от:
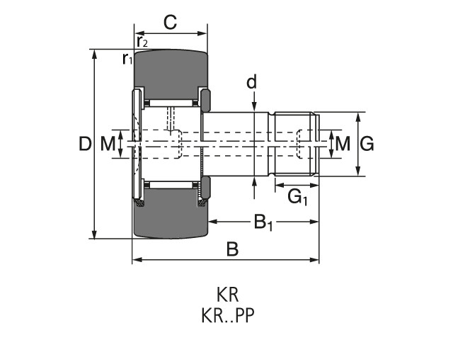
Габаритные размеры
Прочие характеристики
Подшипник игольчатый радиальный 534902 ДК1 (ГПЗ-11)
Подшипник игольчатый радиальный КНС35 РР (ГПЗ-11)
Кулачковый ролик толкатель PWKR 35.2RS (SKF)
Кулачковый ролик толкатель NUKR 35 (NIS)
Кулачковый ролик толкатель KRV 35 PP (NIS)