Главная > Подшипники> Опорные ролики>KR 26

KR 26 — Кулачковый ролик толкатель, импортное производство по ISO стандарту, размер 10x26x36 номер основного исполнения KR26.
Производитель: NIS.
Цена от:1 017 р.
Цена на подшипник зависит от:
| Обозначение | Модификация |
|---|---|
| KR 26 PP | P = Литой сепаратор из стеклонаполненного полиамида 6,6, центрируемый по телам качения. |
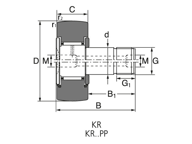
Габаритные размеры
Прочие характеристики
Кулачковый ролик толкатель KRV 26 B (SKF)
Кулачковый ролик толкатель KRV 26 PP (NIS)