Главная > Подшипники> Роликовые > Радиально-упорные>KM12649-M12610

KM12649-M12610 — Однорядный конический роликовый подшипник, импортное производство по ISO стандарту, размер 21x50x17 номер основного исполнения .
Производитель: FAG.
M = массивный латунный сепаратор.
Цена по запросу
Цена на подшипник зависит от:
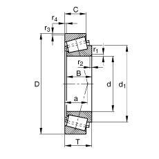
Габаритные размеры
Размеры и геометрические характеристики
Нагрузка и ресурс
Коэффициенты для расчета
Присоединительные размеры
Конический роликоподшипник 4T-CR-0468PX1 (NTN)
Конический роликоподшипник 4T-CR-0468 (NTN)
Однорядный конический роликовый подшипник 4T-M12649/M12610 (NTN)
Конический роликоподшипник 578225 (PFI)
Конический роликоподшипник A-ET-CR-0492STPX1 (NTN)
Конический роликоподшипник H-M12649/H-M12610 (NACHI)