Главная > Подшипники> Шариковые> Радиальные>KLNJ7/8

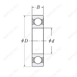
KLNJ7/8 — Подшипник однорядный шариковый радиальный, импортное производство по ISO стандарту, размер 22x47x9 номер основного исполнения .
Производитель: RHP.
J = Сепаратор стальной штампованный незакалённый. Сорт стали 7.
Цена по запросу
Цена на подшипник зависит от:
Габаритные размеры
Размеры и геометрические характеристики
Нагрузка и ресурс
Защита
Конструкция и исполнение
Подшипник однорядный шариковый радиальный S9K (TIMKEN)
Подшипник однорядный шариковый радиальный S9KDD (TIMKEN)
Радиальный шарикоподшипник S9KD (TIMKEN)