Главная > Подшипники> Шариковые> Радиальные>KLNJ3/16

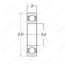
KLNJ3/16 — Подшипник однорядный шариковый радиальный, импортное производство по ISO стандарту, размер 4x12x3 номер основного исполнения .
Производитель: RHP.
J = Сепаратор стальной штампованный незакалённый.
Цена от:586 р.
Цена на подшипник зависит от:
Габаритные размеры
Размеры и геометрические характеристики
Нагрузка и ресурс
Защита
Конструкция и исполнение
Подшипник шарнирный без отверстий и канавок для смазки Ш4
Подшипник шарнирный без отверстий и канавок для смазки (для неподвижных соединений) ШМ4
Подшипник шарнирный без отверстий и канавок для смазки с одноразломным наружным кольцом ШП4 (ГПЗ-3)
Подшипник шарнирный с отверстиями и канавками для смазки на внутреннем и наружном кольцах ШС4К
Подшипник шарнирный с отверстиями и канавками для смазки во внутреннем кольце ШС4
Подшипник шарнирный с отверстиями и канавками для смазки на наружном кольце с двухразломным наружным кольцом ШСЛ4К1