Главная > Подшипники> Роликовые > Радиально-упорные>KLM503349A-LM503310

KLM503349A-LM503310 — Однорядный конический роликовый подшипник, импортное производство по ISO стандарту, размер 45x74x18 номер основного исполнения .
Производитель: FAG.
L = массивный сепаратор из лёгкого сплава.
Цена от:1 929 р.
Цена на подшипник зависит от:
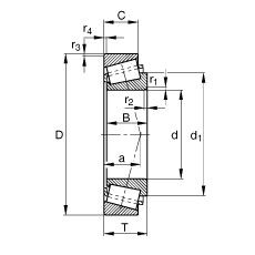
Габаритные размеры
Размеры и геометрические характеристики
Нагрузка и ресурс
Защита
Коэффициенты для расчета
Присоединительные размеры
Конструкция и исполнение
Радиально-упорный шарикоподшипник SF0914 (NTN)
Конический роликоподшипник 4T-LM503349A/LM503310 (NTN)
Однорядный конический роликовый подшипник 528942 (FAG)
Конический роликоподшипник BT1-0383/Q (SKF)
Однорядный конический роликовый подшипник KLM503349-LM503310 (FAG)
Однорядный конический роликовый подшипник LM503349A/LM503310 (FBJ, Fersa, TIMKEN)