Главная > Подшипники> Роликовые > Радиально-упорные>KLM29748-LM29710

KLM29748-LM29710 — Подшипник роликовый конический, импортное производство по ISO стандарту, размер 38x65x18 номер основного исполнения .
Производитель: FAG.
L = массивный сепаратор из лёгкого сплава.
Цена по запросу
Цена на подшипник зависит от:
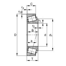
Габаритные размеры
Размеры и геометрические характеристики
Нагрузка и ресурс
Коэффициенты для расчета
Присоединительные размеры
Конический роликоподшипник 38KW01 (NSK)
Однорядный конический роликовый подшипник 38KW01Cg5 (KBC)
Конический роликоподшипник 38KW01CG (NSK)
Конический роликоподшипник 4T-LM29748L/LM29710 (NTN)
Конический роликоподшипник 4T-LM29748/LM29710 (NTN)
Однорядный конический роликовый подшипник 4T-LM29749/LM29710 (NTN)