Главная > Подшипники> Роликовые > Радиально-упорные>KLL352149-LL352110

KLL352149-LL352110 — Конический роликоподшипник, импортное производство по ISO стандарту, размер 279x317x24 номер основного исполнения .
Производитель: FAG.
LL (Сегментное уплотнение, код 2RU) = Лабиринтные уплотнения на обеих сторонах (Уплотнение L = типа = все части уплотнения L = типа покрыты цинком на всех сторонах для улучшения защиты от коррозии = без трения уплотнения).
Цена по запросу
Цена на подшипник зависит от:
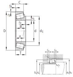
Габаритные размеры
Размеры и геометрические характеристики
Нагрузка и ресурс
Защита
Коэффициенты для расчета
Присоединительные размеры
Конструкция и исполнение
Подшипник роликовый радиально-упорный LL352149/10 (CX, ISO)
Конический роликоподшипник LL352149/LL352110 (TIMKEN)