Главная > Подшипники> Роликовые > Радиально-упорные>KHM88542-HM88510

KHM88542-HM88510 — Однорядный конический роликовый подшипник, импортное производство по ISO стандарту, размер 31x73x29 номер основного исполнения .
Производитель: FAG.
H = высокая, узкая каретка для двухрядного шарикоподшипника и направляющей в сборе.
Цена по запросу
Цена на подшипник зависит от:
Габаритные размеры
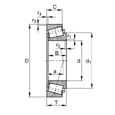
Размеры и геометрические характеристики
Нагрузка и ресурс
Коэффициенты для расчета
Присоединительные размеры
Радиально-упорный шарикоподшипник 712179600 (INA)
Радиально-упорный шарикоподшипник F-234975.04 (FAG)
Конический роликоподшипник 4T-HM88542/HM88510 (NTN)
Конический роликоподшипник 4T-HM88542/HM88512 (NTN)
Конический роликоподшипник EC44243S01 (SNR)
Однорядный конический роликовый подшипник HM88542/HM88512 (FBJ, KOYO, TIMKEN)