Главная > Подшипники> Роликовые > Радиально-упорные>KHM804840-HM804810

KHM804840-HM804810 — Подшипник роликовый конический, импортное производство по ISO стандарту, размер 41x95x30 номер основного исполнения .
Производитель: FAG.
H = высокая, узкая каретка для двухрядного шарикоподшипника и направляющей в сборе.
Цена по запросу
Цена на подшипник зависит от:
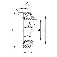
Габаритные размеры
Размеры и геометрические характеристики
Нагрузка и ресурс
Коэффициенты для расчета
Присоединительные размеры
Конический роликоподшипник 4T-53162/53375 (NTN)
Конический роликоподшипник 4T-HM903245/HM903210 (NTN)
Конический роликоподшипник 4T-HM804840/HM804810 (NTN)
Однорядный конический роликовый подшипник 53162/53375 (CX, FBJ, ISO, TIMKEN)
Однорядный конический роликовый подшипник HM804840/HM804810 (FBJ, Fersa, KOYO, NIS, NSK)
Подшипник роликовый радиально-упорный HM804840/10 (CX, ISO)