Главная > Подшипники> Линейные>KGNS 30 C-PP-AS

KGNS 30 C-PP-AS — Линейный шариковый подшипник, импортное производство по ISO стандарту номер основного исполнения .
Производитель: INA.
Шайбы AS упорного игольчатого подшипника, соответствующие для AXK и K811, к DIN 5405-3 / ISO 303
Цена по запросу
Цена на подшипник зависит от:
Габаритные размеры
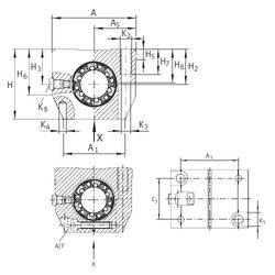
Размеры и геометрические характеристики
Нагрузка и ресурс
Защита
Присоединительные размеры
Конструкция и исполнение
Подшипник шариковый упорный 7-8106 (ГПЗ-2)
Подшипник шариковый упорный 8106 Ю (ГПЗ-2)
Подшипник шариковый упорный 8106 С (ГПЗ-2)
Подшипник упорный шариковый одинарный 8106 Т2 (ГПЗ-2)
Подшипник шариковый упорный В0-8106 К (ГПЗ-20)
Подшипник роликовый упорный 219806 Л (ГПЗ-4)