Главная > Подшипники> Линейные>KGNOS 25 C-PP-AS

KGNOS 25 C-PP-AS — Линейный шариковый подшипник, импортное производство по ISO стандарту номер основного исполнения .
Производитель: INA.
Шайбы AS упорного игольчатого подшипника, соответствующие для AXK и K811, к DIN 5405-3 / ISO 303
Цена по запросу
Цена на подшипник зависит от:
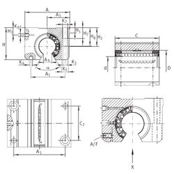
Габаритные размеры
Размеры и геометрические характеристики
Нагрузка и ресурс
Защита
Отклонение, точность вращения
Присоединительные размеры
Конструкция и исполнение
Линейный шариковый подшипник KBO2558 (NBS)
Линейный шариковый подшипник KBO2558-PP (NBS)
Линейный шариковый подшипник KGNCS 25 C-PP-AS (INA)