Главная > Подшипники> Линейные>KGNOS 20 C-PP-AS

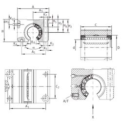
KGNOS 20 C-PP-AS — Линейный шариковый подшипник, импортное производство по ISO стандарту номер основного исполнения .
Производитель: INA.
Шайбы AS упорного игольчатого подшипника, соответствующие для AXK и K811, к DIN 5405-3 / ISO 303
Цена по запросу
Цена на подшипник зависит от:
Габаритные размеры
Размеры и геометрические характеристики
Нагрузка и ресурс
Защита
Отклонение, точность вращения
Присоединительные размеры
Конструкция и исполнение
Радиальный шарикоподшипник P6004-GB (ZEN)
Радиальный шарикоподшипник P6004-SB (ZEN)
Радиальный шарикоподшипник S61804-2Z (ZEN)
Радиальный шарикоподшипник S61804 (ZEN)
Подшипник шариковый из нержавеющей стали S61804-2RS (ZEN)
Роликовый игольчатый подшипник RNAO20x32x12 (CX, INA, ISO, KOYO, NBS)