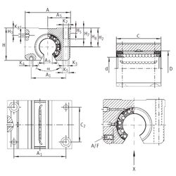
Главная > Подшипники> Линейные>KGNOS 16 C-PP-AS

KGNOS 16 C-PP-AS — импортное производство по ISO стандарту номер основного исполнения .
Производитель: INA.
Шайбы AS упорного игольчатого подшипника, соответствующие для AXK и K811, к DIN 5405-3 / ISO 303
Цена по запросу
Цена на подшипник зависит от:
Габаритные размеры
Размеры и геометрические характеристики
Нагрузка и ресурс
Защита
Отклонение, точность вращения
Присоединительные размеры
Конструкция и исполнение
Подшипник комбинированный RAXZ 517 (KOYO, TIMKEN)
Линейный шариковый подшипник KBO1636 (NBS)
Линейный шариковый подшипник KBO1636-PP (NBS)