Главная > Подшипники> Линейные>KGNOS 12 C-PP-AS

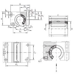
KGNOS 12 C-PP-AS — Линейный шариковый подшипник, импортное производство по ISO стандарту номер основного исполнения .
Производитель: INA.
Шайбы AS упорного игольчатого подшипника, соответствующие для AXK и K811, к DIN 5405-3 / ISO 303
Цена по запросу
Цена на подшипник зависит от:
Габаритные размеры
Размеры и геометрические характеристики
Нагрузка и ресурс
Защита
Отклонение, точность вращения
Присоединительные размеры
Конструкция и исполнение
Подшипник шариковый упорный 5-1008901 (ГПЗ-2)
Роликовый игольчатый подшипник RNAO12x22x12 (CX, ISO, NTN)
Роликовый игольчатый подшипник RNAF 122212 (IKO, JNS, NSK)
Роликовый игольчатый подшипник RNAO 12x22x12 TN (NBS, SKF)
Роликовый игольчатый подшипник RNAO12X22X12-TV (INA)
Радиальный сферический подшипник скольжения GE12N (AST, LS)