Главная > Подшипники> Линейные>KGNC 50 C-PP-AS

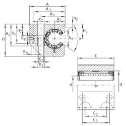
KGNC 50 C-PP-AS — Линейный шариковый подшипник, импортное производство по ISO стандарту номер основного исполнения .
Производитель: INA.
Шайбы AS упорного игольчатого подшипника, соответствующие для AXK и K811, к DIN 5405-3 / ISO 303
Цена по запросу
Цена на подшипник зависит от:
Габаритные размеры
Размеры и геометрические характеристики
Нагрузка и ресурс
Защита
Отклонение, точность вращения
Присоединительные размеры
Конструкция и исполнение
Радиальный сферический подшипник скольжения GE50ET/X (AST, LS)
Сферический подшипник скольжения GE50C (AST, LS)
Радиальный сферический подшипник скольжения GE50N (AST, LS)
Сферический подшипник скольжения GEEM50ES-2RS (AST, FBJ, ISB, LS)
Линейный шариковый подшипник KBO50100-PP (NBS)