Главная > Подшипники> Роликовые > Радиально-упорные>KETRD091004UR4

KETRD091004UR4 — Подшипник роликовый радиально-упорный, импортное производство по ISO стандарту, размер 45x100x38 номер основного исполнения .
Производитель: KOYO.
D = профиль наружного кольца, усовершенствованный, с увеличенной зоной несущей нагрузки и оптимизированными краевыми переходами.
Цена по запросу
Цена на подшипник зависит от:
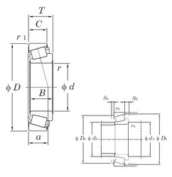
Габаритные размеры
Размеры и геометрические характеристики
Нагрузка и ресурс
Защита
Коэффициенты для расчета
Присоединительные размеры
Конструкция и исполнение
Однорядный конический роликовый подшипник 32309 (CRAFT, CYSD, FAG, FBJ, ISB)
Однорядный конический роликовый подшипник 32309 J2 (FAG)
Подшипник роликовый радиально-упорный конический 6-7609
Подшипник роликовый радиально-упорный конический 6У-7609 А (ГПЗ-15)
Подшипник роликовый радиально-упорный конический 6У-7609 АУШ (ГПЗ-15)
Подшипник роликовый радиально-упорный конический 7609 (32309)