Главная > Подшипники> Роликовые > Радиально-упорные>KE ST4276 ALFT

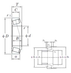
KE ST4276 ALFT — Подшипник роликовый радиально-упорный, импортное производство по ISO стандарту, размер 42x76x23 номер основного исполнения .
Производитель: KOYO.
Механически обработанный сепаратор из стали или чугуна, центрируемый по телам качения.
Цена по запросу
Цена на подшипник зависит от:
Габаритные размеры
Размеры и геометрические характеристики
Защита
Конструкция и исполнение
Конический роликоподшипник BT1B 329027/Q (SKF)
Подшипник роликовый радиально-упорный F15112 (Fersa)
Подшипник роликовый радиально-упорный KE ST4276 CLFT (KOYO)