Главная > Подшипники> Линейные>KBL60211

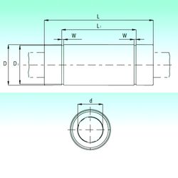
KBL60211 — импортное производство по ISO стандарту, размер 60x90x209 основное исполнение.
Производитель: NBS.
Цена по запросу
Цена на подшипник зависит от:
| Обозначение | Модификация |
|---|---|
| KBL60211-PP | P = Литой сепаратор из стеклонаполненного полиамида 6,6, центрируемый по телам качения. |
Габаритные размеры
Размеры и геометрические характеристики
Нагрузка и ресурс
Защита
Конструкция и исполнение
Другие размеры