Главная > Подшипники> Линейные>KBL50192-PP

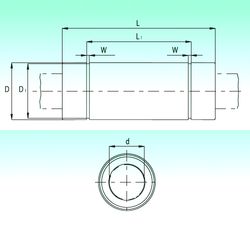
KBL50192-PP — импортное производство по ISO стандарту, размер 50x75x192 номер основного исполнения KBL50192.
Производитель: NBS.
P = Литой сепаратор из стеклонаполненного полиамида 6,6, центрируемый по телам качения.
Цена по запросу
Цена на подшипник зависит от:
| Обозначение | Модификация |
|---|---|
| KBL50192 | Основное конструктивное исполнение. |
Габаритные размеры
Размеры и геометрические характеристики
Нагрузка и ресурс
Защита
Конструкция и исполнение
Другие размеры